alt text
alt text
alt text
alt text
Guindastes articulados
Especificações principais
Momento máximo de elevação
57,3 mt
Capacidade máxima de carga
21.500 kg
Alcance máx. hidráulico
18 m

Guindaste de grande capacidade, projetado para trabalhos exigentes que requerem potência e precisão. Equipado com tecnologia de ponta, oferece maior capacidade de carga graças ao seu sistema HPLS (turbo eletrônico), garantindo mais eficiência sem abrir mão da segurança. Desempenho superior para grandes desafios.

Diagramas

Versão B - três extensões hidráulicas

alt text

Versão C - Quatro extensões hidráulicas

alt text

Versão D - Cinca extensões hidráulicas

alt text

Versión D - Con Fly-Jib

alt text

Extensões manuais

alt text

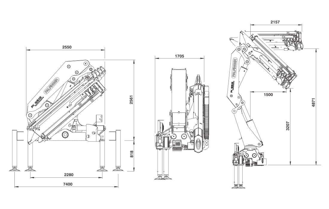
Especificações técnicas

Dados técnicos
Momento máximo de carga
57,3 mt
Capacidade máxima de carga
21.500 kg
Alcance máx. manual - horizontal
20,3 m
Alcance máx. hidráulico - horizontal
13,5 m
Alcance máx. manual - vertical
24,3 m
Alcance máx. hidráulico - vertical
18 m
Peso (std)
5.294 kg
Espaço para montagem
1,8 m
Abertura das sapatas
7,41 m
Ângulo de giro
370°
Torque de giro
6,5 tm
Pressão de trabaho
350 bar
Vazão recomendada da bomba
de 80 - 100 l/min
PBT mínimo para instalação
29,0 t (8x2 ou 8x4)
Capacidade
alt text