alt text
alt text
alt text
Loader Crane
Key Specs
Max. lifting moment
18.8 mt
Max. lifting capacity
6,100 kg
Max. hydraulic outreach
17.1 m

The High Performance range unites lifting power and versatility, with superior strength based on advanced linkage systems. The compact yet lightweight PK 19502 offers enhanced vehicle integration and everyday usability. The HPSC system permits full lifting capacity with limited stabilizer extension, ideal for roadside landscaping.

Find Sales Partner

Diagrams

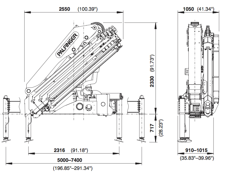
PK 19502 A

alt text

PK 19502 B

alt text

PK 19502 C

alt text

PK 19502 D

alt text

PK 19502 E

alt text

Load capacity-Extension

alt text

Superior performance in every situation

Our High Performance cranes feature a compact, agile design that belies their exceptional lifting power. Combining strength, flexibility and advanced stability systems, these models are the go-to choice for demanding tasks on sites where space is at a premium and precision is key.

alt text
Technical data
Max. lifting moment
18.8 mt
Max. lifting capacity
6,100 kg
Max. hydraulic outreach
17.1 m
Slewing angle
400°
Slewing torque
2.3 mt
Stabilizer spread (std)
5.0 m
Fitting space required (std)
0.91 m
Width folded
2.53 m
Max. operating pressure
320 bar
Pump capacity
45 - 65 l/min
Dead weight (std)
2,391 kg

Cranes shown in the leaflet are partially optional equipped and do not always correspond to the standard version.
Country-specific regulations must be observed. Dimensions may vary. Subject to technical changes, errors and translation mistakes.

Lifting capacities

Crane Height (mm)

Crane Weight (kg)

Crane Width (mm)

Installation Width (mm)

Lifting moment (mt)

Outreach (m)

Pressure (MPa)

Pump capacity (l/min)

Slewing angle (°)

Slewing torque (mt)

A 2,330 mm 2,391 kg 2,550 mm 910 mm 18.1 mt 8.2 m 32 Mpa 45-65 400 2.3
B 2,330 mm 2,559 kg 2,550 mm 910 mm 17.7 mt 10.4 m 32 Mpa 45-65 400 2.3
C 2,330 mm 2,694 kg 2,550 mm 975 mm 17.3 mt 12.6 m 32 Mpa 45-65 400 2.3
D 2,330 mm 2,818 kg 2,550 mm 1,015 mm 17 mt 14.9 m 32 Mpa 45-65 400 2.3
E 2,330 mm 2,935 kg 2,550 mm 1,015 mm 16.6 mt 17.1 m 32 Mpa 45-65 400 2.3
alt text

Cranes shown in the leaflet are partially optional equipped and do not always correspond to the standard version.
Country-specific regulations must be observed. Dimensions may vary. Subject to technical changes, errors and translation mistakes.

Discover Standard Features

POWER LINK PLUS – Maximum Flexibility

Power Link Plus reverse linkage system allowis the knuckle boom to tilt upward by up to 15° beyond horizontal. This increased flexibility supports safe and efficient lifting in confined spaces and around obstacles. At the same time, the crane folds compactly on the truck within legal height limits, delivering smooth movements, high precision, and reliable performance in demanding applications.

alt text
High Speed Extension – Faster Cycles

High Speed Extension increases boom extension and retraction speed by up to 30% by reusing return oil within the hydraulic system. Faster movements reduce load cycle times and improve overall productivity. The crane completes more work in less time without compromising control or precision.

alt text
Low-Maintenance Extension System

Low-maintenance extension system eliminates the need for regular greasing by using self-lubricating synthetic sliding elements and corrosion-resistant coating. This keeps the boom clean, reduces service effort, and prevents lubricant contamination of loads or work areas. Smoother extension movements, lower maintenance costs, and longer service life improve overall efficiency and resale value.

alt text
PALTRONIC – Smart Crane Control

PALTRONIC control electronics continuously monitor crane load, position, and stability in real time. Sensors send data to the system, which automatically activates safety, assistance, and performance functions when needed. This results in smoother movements, overload protection, improved stability, and easier operation—allowing the operator to focus fully on safe, precise load handling.

alt text
Long-Lasting Coating for Maximum Protection

Advanced coating technology protects components against corrosion, wear, and harsh weather conditions. Multi-stage surface treatment and durable, eco-friendly coatings create a tough, elastic finish with high impact and UV resistance. This extends service life, maintains a high-quality appearance, and preserves resale value while reducing environmental impact and long-term maintenance effort.

alt text

Optional Features

alt text

HPSC – Smart Stability, More Reach

High Performance Stability Control (HPSC) continuously calculates crane stability based on the real position of the stabilizers. The system automatically adjusts the permitted working range for each setup situation, maximizing the lifting capacity even when space is limited. This improves safety, increases usable reach, and gives the operator clear, reliable guidance during crane operation.